汽水分离器
卧式汽水分离器
-
品牌 :FeiFLTER(菲利特)
-
型号:FLT-FWQ系列
-
材质:Q235、304、304L、316、316L
-
过滤精度:(可选)
-
单台流量:50-500m³/min
-
公称压力:50m³/min到500m³/mi
-
应用领域:专业气体净化解决方案,广泛应用于真空系统、风机入口除水、空压机除水、天然气净化等领域
卧式汽水分离器 / 叶片过滤装置专业气体净化解决方案,广泛应用于真空系统、风机入口除水、空压机除水、天然气净化等领域
- 成交量:0
好评率:5星
-
产品描述
Product description
卧式汽水分离器 / 叶片过滤装置
专业气体净化解决方案,广泛应用于真空系统、风机入口除水、空压机除水、天然气净化等领域
一、产品介绍
本公司专业生产汽水分离器、旋风过滤装置、净化设备、油水/气分离装置等系列产品。产品广泛应用于真空系统、风机入口除水、锅炉系统、城市供暖、空压机除水、冷干机除水、天然气净化、烘干箱除水、沼气净化等气体输送系统,有效去除气体中的饱和游离水,为下游用气设备提供洁净、干燥的气源。
我们的汽水分离器(又名气液分离器、油气分离器)主要用于空气、压缩空气、蒸汽、甲烷等介质的除水除油处理。根据结构设计和工作原理的不同,可分为旋风式(离心式)、叶片、挡板式、丝网型、高精密型等多种类型,满足不同工况需求。
同时,我们可根据用户的特定使用要求,提供设备定制、工程改造及系统设计服务,为客户提供全方位的解决方案。
主要应用领域
真空系统
真空入口除水,提高效率
风机净化
风机入口除水保护
空压机系统
压缩空气干燥净化
天然气净化
天然气脱水处理
沼气工程
沼气脱水净化
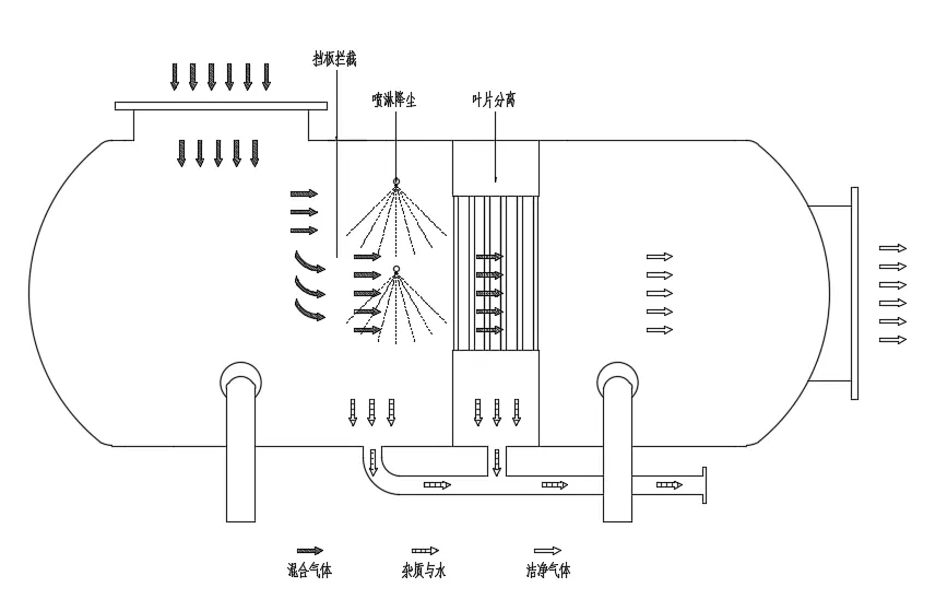
二、过滤原理
一级挡板型分离原理
挡板或折板式分离器由挡板构成,当含有液态水滴的气体通过分离器时,流体在分离器内改变流动方向。由于悬浮的水滴具有较大的质量和惯性,当遇到挡板流动方向改变时,干燥气体可以轻松绕过挡板继续向前流动,而水滴则会因惯性作用积聚在挡板表面。
挡板式汽水分离器采用大通流面积设计,有效降低水滴动能,使大部分水滴凝聚并最终在重力作用下落到分离器底部,通过疏水阀自动排出系统。
二级叶片分离器原理
二级叶片分离器采用先进的"叶片"式分离元件,这是一种高效的新型分离内件。工作过程分为两个阶段:
初级分离阶段:当夹带液滴的气体进入分离器后体积发生膨胀,实现初步的气液分离。
高效分离阶段:气体进入高效分离叶片的通道后,被叶片分隔成多个微小区域。在多次快速的流向转变过程中,液滴在惯性力作用下与叶片发生碰撞,并通过聚结效应附着在叶片表面。
叶片分离器在设计上综合运用了动能碰撞、液滴吸附聚结和重力沉降三大原理,实现了更高的气液分离效率、更低的操作压降以及更宽的操作弹性范围。
(如气体中含有大量的粉尘,也可选装喷淋。通过喷洒细密水雾来抑制空气中粉尘颗粒扩散。其核心原理是利用水雾颗粒与粉尘颗粒发生碰撞、吸附、凝聚,增大尘粒重量使其沉降,从而降低空气中的粉尘浓度。)

三、性能特点
高效除水:介质通过性强、阻力小、除水效果显著,确保出口气体干燥洁净。
多级分离:采用多级除水设计,集中收集液态水,通过排液泵自动或手动排出。
结构优化:相比传统旋风式分离器体积更大,为减轻管道负重,可选配支腿支撑。
安装便捷:管道法兰式连接、卧式设计落地安装,适应多种现场工况。
长寿命设计:免维护、可靠性高,使用寿命可达20年以上。
配置灵活:可选配自动排水器或手动排水器;配备液位计等监测装置。
材质多样:提供碳钢和不锈钢两种材质选择,满足不同介质要求。
温度适应:标准产品使用温度≤80℃,高温工况需特殊定制。
四、设备结构图

操作说明
正常运行期间请关闭连接球阀,通过目镜观察液位情况。可根据需要选择性打开连接球阀进行手动排污,后端也可通过液位控制器自动控制排污。
喷淋启动时:请打开连接球阀,以确保排水通畅。
五、型号说明
(FeiLiTer Filtration Technology)
功能:气液分离
(Diameter Nominal)
型号示例
FLT-FWQ100:表示菲利特卧式气液分离器,进出口径为DN100
FLT-FWQ200:表示菲利特卧式气液分离器,进出口径为DN200
注意:本公司可根据客户需求定制特殊规格产品,包括非标口径、特殊材质、高压/高温型等。
六、规格尺寸
以下为FLT-FWQ系列卧式汽水分离器的标准规格尺寸表,涵盖从50m³/min到500m³/min的各种型号。所有尺寸单位为毫米(mm)。
| 型号 | 口径 | 直径φ(mm) | 长度L(mm) | 使用流量(m³/min) | 排污口径(mm) | 滤液泵(选配) |
|---|---|---|---|---|---|---|
| FLT-FWQ150 | DN150 | 700 | 1600 | 42 | 100 | FPB滤液泵 |
| FLT-FWQ200 | DN200 | 800 | 1800 | 88 | 100 | FPB滤液泵 |
| FLT-FWQ300 | DN300 | 1000 | 2200 | 120 | 150 | FPB滤液泵 |
| FLT-FWQ400 | DN400 | 1200 | 2400 | 280 | 150 | FPB滤液泵 |
| FLT-FWQ500 | DN500 | 1400 | 2800 | 350 | 200 | FPB滤液泵 |
| FLT-FWQ600 | DN600 | 1800 | 3200 | 510 | 200 | FPB滤液泵 |
重要说明
1. 以上规格为常规型号,特殊需求可定制设计
2. 实际流量可能因介质、压力、温度等因素而有所变化
3. 以上尺寸为参考尺寸
七、电控操作说明(可选配)
本设备可选配电控系统,通过液位计实现自动控制操作,具体操作模式如下:
1. 手动模式
将"手动/停/自动"选择开关旋转至"手动"位置;水泵立即启动并持续排水,直至切换至其他模式。
2. 停止模式
将"手动/停/自动"选择开关旋转至"停"位置;水泵关闭,系统停止排污。
3. 自动模式
将"手动/停/自动"选择开关旋转至"自动"位置;系统根据液位自动控制:液位达到最高点时水泵启动排污,液位降至最低点时水泵自动停止。
重要提示
一用一备配置:手动模式下可选择泵1或泵2单独启动;自动模式下,泵1与泵2将交替替换启动,以均衡设备使用。
⚠️ 禁止水泵空载运行!空载运行将严重损坏设备!
八、定制说明及选型参数
本公司为生产厂家,可根据客户需求加工定制!
作为专业的生产厂家,我们拥有强大的设计能力和生产能力,可以根据客户的特殊需求进行产品定制。无论是特殊尺寸、特殊材质、特殊压力要求,还是特殊应用场景,我们都能为您提供专业的解决方案。
我们的定制服务包括但不限于:非标尺寸设计、特殊材质选择(如316L不锈钢、哈氏合金等)、特殊压力等级设计、高温/低温应用设计、防爆设计等。
使用注意事项:
您在选择卧式汽水分离器的时候,请考虑以下几个参数:
考虑处理流量,选择合适的口径。根据实际处理的气体流量选择合适口径的分离器,确保设备既能满足处理要求,又不会造成过大压力损失。
提供真空泵的极限压力,及要求的阻力范围。对于真空系统应用,需要提供真空泵的极限压力和工作压力范围,以及系统允许的最大阻力损失,确保分离器设计与系统匹配。
考虑过滤介质的化学性质,是否含腐蚀性等,选择汽水分离器的材质。根据介质的化学性质(如是否含有酸性、碱性、腐蚀性成分)选择合适的材质,如碳钢、304不锈钢、316L不锈钢等,确保设备耐腐蚀、使用寿命长。
考虑过滤介质的温度,以便设计人员考虑合适的密封材质。介质温度直接影响密封材料的选择。高温介质需要耐高温的密封材料(如氟橡胶、聚四氟乙烯等),低温介质则需要耐低温的密封材料。
提供管道的压力,正压或负压,负压情况下自动放水阀不起作用;选型时要特别注明。明确系统工作压力是正压还是负压(真空)。负压系统中自动放水阀可能无法正常工作,需要特殊设计或采用手动排水方式。
定制流程说明
1. 需求沟通:客户提供详细的使用工况和技术要求
2. 方案设计:我们的技术团队根据需求进行方案设计和计算
3. 方案确认:与客户确认设计方案和技术参数
4. 生产制造:按照确认的方案进行生产制造
5. 质量检验:严格的质量检验,确保产品符合设计要求
6. 交付服务:产品交付并提供安装指导和技术支持
九、安装及使用注意事项
安装方向检查:安装前检查设备安装位置是否符合介质流向,确保按壳体上箭头方向(介质流向)正确安装。
水平安装:必须安装在水平管道上,确保分离出的液体能顺利排出,避免积液影响分离效果。
排污阀操作:排污口连接处安装有手动球阀,安装时应关闭球阀,正常运行时根据需要通过观察镜选择性打开进行手动排污。
检修维护:检修管道或更换放水阀时,必须先关闭球阀,切断介质流通。
系统设计:建议设置旁路管道和进出口切断阀,以便设备检修时不影响整个系统的正常运行。
初次启用:新管道试运行或长期停用管道重新启动时,需先隔离设备并清洗管道,确保无杂质后再启用分离设备。
定期检查:定期检查分离器工作情况,观察镜清晰度,排水阀功能是否正常。
压力温度:确保工作压力和温度在设备设计范围内,避免超压超温运行。
安全警告
1. 设备运行时禁止进行任何维修操作,必须先停机并泄压
2. 处理易燃易爆介质时,必须确保设备接地良好
3. 高温介质设备表面温度高,需设置防护措施
4. 定期检查设备紧固件,防止松动泄漏
十、案例




2643127547
